Trong vật lý học có hiện tượng chất lỏng khi bay hơi thì hút nhiệt, còn khi ngưng tụ từ dạng hơi sang dạng lỏng thì truyền nhiệt cho các vật và môi trường xung quanh. Trong thực tế ta có thể dễ dàng tìm thấy và cảm nhận khi bôi cồn lên da tay, cồn bốc hơi và ta cảm thấy mát lạnh ở chỗ da được bôi cồn.
Ở hệ thống điều hòa không khí nói chung, gas lạnh được bơm lưu thông tuần hoàn trong hệ thống. Trong quá trình lưu thông, tùy theo kết cấu, chức năng của từng bộ phận trao đổi nhiệt, gas lạnh sẽ thay đổi trạng thái của nó, từ lỏng sang hơi và ngược lại, đồng thời sẽ hút hoặc truyền nhiệt cho các vật và môi trường xung quanh.

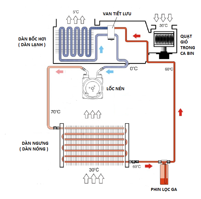
Phân tích sơ đồ nguyên lý của hệ thống điều hòa ô tô thông dụng trong hình 1. Trên phần lớn các xe ô tô hiện nay, lốc lạnh hay còn gọi là máy nén khí được truyền động qua dây cu roa động cơ. Từ lốc lạnh, gas lạnh được bơm ra ở trạng thái hơi, nóng, áp suất cao đi vào dàn nóng (còn gọi là dàn ngưng). Tại đây, gas lạnh dạng hơi sẽ được làm mát rồi ngưng tụ thành dạng lỏng. Khi qua phin lọc gas, các cặn bẩn cùng nước có trong gas lạnh sẽ bị chặn lại; sau đó, gas lạnh dạng lỏng tiếp tục đi vào van tiết lưu; Khi đến đây, áp suất của gas lạnh giảm đột ngột và do đó, xảy ra hiện tượng gas lạnh “sôi“ ở nhiệt độ thấp. Khi vào dàn lạnh (còn gọi là dàn bốc hơi), gas lạnh bốc hơi mạnh, hút nhiệt của dàn và làm lạnh không khí thổi qua dàn ra các cửa gió. Sau khi đi qua dàn lạnh, ga lạnh ở dạng hơi, lạnh, áp suất thấp sẽ được hút về lốc lạnh và lặp lại chu trình như trên.
Còn đối với các hệ thống điều hòa ô tô trang bị van tiết lưu có thiết diện không đổi, kiểu van tiết lưu ống thì người ta không sử dụng phin lọc gas sau dàn nóng mà thay vào đó là bầu ngưng được bố trí ngay phía sau dàn lạnh. Xem ở hình 2 dưới đây.

Đối với các xe ô tô cỡ lớn thì hệ thống điều hòa ô tô thường trang bị tới hai dàn lạnh, một ở phía trước và một ở phía sau của xe. Và để đảm bảo công suất làm lạnh cho ô tô trong nhiều trường hợp, người ta còn trang bị thêm dàn ngưng thứ hai.
Sau một thời gian làm việc, thường xảy ra hiện tượng thất thoát ga lạnh, các chất dầu bôi trơn bị mất và bụi bẩn, nấm mốc bám trên bề mặt các lá tản nhiệt của dàn nóng và dàn lạnh làm ảnh hưởng xấu đến khả năng trao đổi nhiệt, tạo ra mùi hôi, dễ gây mọt, thủng dàn…. Vì vậy việc định kỳ bảo dưỡng, vệ sinh hệ thống điều hòa ô tô là hết sức cần thiết.
